FLUKE Norma5000 高精度功率分析仪
在电力电子技术高速发展的当下,变频驱动、新能源汽车、智能照明等领域对功率测量的精度、带宽及多通道同步性提出了严苛要求。FLUKE Norma5000高精度 功率分析仪 作为一款六相功率测量设备,凭借最多6个功率模块配置、高达10MHz的带宽及0.03%的超高精度,成为复杂电力系统测试的核心工具。其不仅支持单相至六相的灵活测量,还集成了谐波分析、FFT变换、矢量图显示等多功能分析能力,可满足实验室研发、生产线检测及现场运维等多场景需求。本文结......
产品描述
在电力电子技术高速发展的当下,变频驱动、新能源汽车、智能照明等领域对功率测量的精度、带宽及多通道同步性提出了严苛要求。FLUKE Norma5000高精度功率分析仪作为一款六相功率测量设备,凭借最多6个功率模块配置、高达10MHz的带宽及0.03%的超高精度,成为复杂电力系统测试的核心工具。其不仅支持单相至六相的灵活测量,还集成了谐波分析、FFT变换、矢量图显示等多功能分析能力,可满足实验室研发、生产线检测及现场运维等多场景需求。本文结合仪器权威技术资料,从测试原理、核心参数、关键功能及典型应用等方面,全面解析FLUKE Norma5000的专业特性与实用价值。Fluke Norma5000是一款六相高精度功率分析仪,主要用于电动马达、逆变器、照明系统、变压器和汽车电子等领域的功率测量与分析。
1.信号采集机制
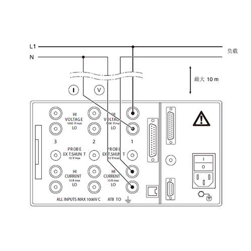
仪器采用并行同步采集技术,所有测量通道(最多六相)可同时捕获电压、电流信号,确保在同一时间点记录各相动态数据,精准还原多相系统中的瞬态事件。电压与电流输入通道均采用galvanic隔离设计,避免不同通道间的信号干扰,且符合1000VCATII(600VCATIII)安全标准,测量输入与电网连接间测试电压达5.4kVAC,保障高电压场景下的操作安全。电流测量支持三种方式:直接输入(0.03mA-20A)、外部分流器连接(通过BNC插座)及电流传感器扩展,适配不同功率等级的测试需求;电压输入范围覆盖0.3V-1000Veff,输入阻抗为2MΩ/20pF,共模抑制比在100kHz时达120dB,有效抵御共模干扰。 2.数据处理核心
仪器搭载高性能数据处理芯片,采样率根据功率模块配置可达341kHz或1MHz,配合抗混叠滤波器,可有效抑制高频噪声,避免信号失真。对于采集的原始模拟信号,通过高精度模数转换(ADC)转换为数字信号后,运用快速傅里叶变换(FFT)算法将时域信号转换为频域信号,支持1至40次谐波成分分析,精准识别电压、电流及功率的谐波失真情况。此外,仪器内置三种不同频率的低通滤波器,用户可根据测量场景灵活选择,确保在高频开关信号(如逆变器PWM波形)测量中仍能保持数据稳定性。
3.参数运算逻辑
基于采集的数字信号,仪器可实时运算有功功率(P)、无功功率(Q)、视在功率(S)、功率因数(cosφ)、相位角(φ) 等核心参数,在三相或六相系统中,还能自动计算总功率、平均电压及电流值。同步模式下,可单独提取基波(H01)相关参数,避免谐波成分对基波测量精度的影响。此外,仪器具备积分功能,可对有功功率、无功功率、电压及电流等参数进行时间积分运算,精准核算能耗;支持正/负向能量分离统计,满足储能系统、双向变流器等场景的测试需求。
FLUKE Norma5000支持1至6相的灵活测量配置,可适配单相、三相、六相系统测试,尤其适用于多模块协同工作的复杂场景(如双三相逆变器、多绕组变压器)。仪器支持15组用户自定义配置存储,可保存测量量程、滤波器设置、同步源选择、积分参数等关键配置,下次使用时直接调用,大幅提升测试效率。配置过程可通过front-panel薄膜键盘完成,也可通过NORMAViewPC软件远程操作,支持参数实时调整与数据同步。
2.全方位信号分析能力
仪器集成多种信号分析工具,满足复杂电力信号的深度解析需求:
谐波分析:可精准测量1-40次电压、电流及功率谐波,支持THD(总谐波失真)、HC(谐波含量)、FC(基波含量)等参数计算,符合IEC61000-4-7标准,适配变频器、LED驱动电源等非线性负载测试;
FFT分析:采用汉宁窗函数抑制频谱泄漏,支持线性/对数标度显示,可直观观察信号频谱分布,识别高频干扰成分;
矢量图显示:可同时显示6路信号的基波(H01)矢量关系,清晰呈现电压与电流的相位差,方便快速排查接线错误与相位失衡问题;
数字示波器(DSO)模式:同步显示3路信号波形,支持波形缩放、零点调整与光标测量,可直观观察信号畸变与瞬态波动;
记录仪功能:连续记录测量平均值,支持趋势分析,可捕捉长时间内的功率变化规律,适配稳定性测试场景。
3.软件支持与远程控制
仪器标配FLUKE NormaViewPC软件,支持数据下载、离线分析、报告生成等功能。通过软件可实现测量参数的可视化配置,生成谐波频谱图、功率趋势图等专业报告,支持数据导出为Excel、TXT格式,方便后续数据整理。此外,仪器支持VNC远程控制,可通过以太网实现异地操作与监控,配合IEEE488.2(GPIB)接口,可集成到自动化测试系统中,提升测试流程的自动化水平。
4.扩展功能与安全设计
可选配的PI1处理接口,可连接扭矩传感器、转速传感器等外部设备,实现电气参数与机械参数的同步测量,尤其适用于电机驱动系统测试,可直接计算电机效率、滑差等关键指标。安全设计方面,仪器采用实心金属外壳,满足严苛的EMC要求,辐射符合IEC61326-1、EN55011B类标准,抗扰性符合EN50082-1标准,可在工业现场复杂电磁环境中稳定工作;所有输入通道均配备过压、过流保护,避免因测试失误导致设备损坏。
在马达与逆变器研发中,Norma5000可同步测量六相电气参数与机械参数(扭矩、转速),精准计算开关损耗、谐波损耗及电机效率。其高带宽(最高10MHz)与高采样率(1MHz)可捕捉逆变器高频开关信号的瞬态变化,通过频谱分析评估谐波对电机性能的影响,为驱动系统优化提供数据支撑。
2.新能源汽车动力系统测试
适用于新能源汽车的电机控制器、车载充电器、双向DC-DC转换器等核心部件测试。仪器可同步测量输入输出功率、转换效率、谐波失真等参数,支持宽电压(0.3V-1000V)与宽频率(DC-1MHz)测量,适配车载设备的高频、高电压工作特性;PI1处理接口可连接车载传感器,实现电气与机械性能的一体化测试,助力提升整车续航与能效。 3.照明系统与开关电源测试
针对LED驱动电源、荧光灯镇流器等照明设备,仪器的高带宽与谐波分析能力可精准测量整流器输出信号的谐波成分,评估其对电网的污染;通过同步测量输入与输出功率,直接计算转换效率,为照明设备的能效优化提供依据。对于开关电源,其低功率测量精度可满足待机功耗测试需求,符合IEC62301等国际能效标准。
4.变压器与电力设备测试
可同步测量多相变压器的输入输出功率、线圈电阻、铁损与铜损,即使在低功率因数场景下仍能保持高精度测量。支持六相同时测量,适配多绕组变压器测试;积分功能可精准核算变压器在不同负载条件下的能耗,为电力设备的能效评估与选型提供数据支持。
小编极仪银飞总结FLUKE Norma5000高精度功率分析仪以六相同步测量、高带宽、超高精度为核心优势,整合了谐波分析、FFT变换、矢量图显示等多功能分析工具,适配电力电子领域的复杂测试需求。其灵活的配置存储、丰富的接口扩展与专业的软件支持,既满足实验室研发的精细化测量要求,也适配生产线的批量检测与现场运维的便捷操作。从电动马达、新能源汽车到照明系统、电力设备,Norma5000凭借稳定的性能与可靠的测量结果,成为工程师优化产品性能、提升能效水平的得力助手。随着电力电子技术的不断迭代,FLUKE Norma5000将持续在高端功率测量领域发挥核心作用,为行业技术创新与高质量发展提供坚实的测试保障。
核心参数
测量范围:电压0.3V~1000V,电流0.03A~20A。
精度:基本精度0.05%+0.05%(PP50模块)。
带宽:10MHz,采样率1MHz。
功率模块:支持3~6个模块,可选PP42、PP50等。
应用场景
电动马达:测量逆变器开关损耗。
照明系统:分析整流器输出信号。
变压器:同步测量6相功率。
汽车电子:评估驱动系统效率。
FLUKE Norma5000高精度功率分析仪测试原理
FLUKE Norma5000的测试核心基于“同步采集-数字化处理-多维度运算”的闭环架构,通过硬件设计与算法优化,实现复杂电力信号的精准测量,其原理可分为三大关键环节:1.信号采集机制
仪器采用并行同步采集技术,所有测量通道(最多六相)可同时捕获电压、电流信号,确保在同一时间点记录各相动态数据,精准还原多相系统中的瞬态事件。电压与电流输入通道均采用galvanic隔离设计,避免不同通道间的信号干扰,且符合1000VCATII(600VCATIII)安全标准,测量输入与电网连接间测试电压达5.4kVAC,保障高电压场景下的操作安全。电流测量支持三种方式:直接输入(0.03mA-20A)、外部分流器连接(通过BNC插座)及电流传感器扩展,适配不同功率等级的测试需求;电压输入范围覆盖0.3V-1000Veff,输入阻抗为2MΩ/20pF,共模抑制比在100kHz时达120dB,有效抵御共模干扰。 2.数据处理核心
仪器搭载高性能数据处理芯片,采样率根据功率模块配置可达341kHz或1MHz,配合抗混叠滤波器,可有效抑制高频噪声,避免信号失真。对于采集的原始模拟信号,通过高精度模数转换(ADC)转换为数字信号后,运用快速傅里叶变换(FFT)算法将时域信号转换为频域信号,支持1至40次谐波成分分析,精准识别电压、电流及功率的谐波失真情况。此外,仪器内置三种不同频率的低通滤波器,用户可根据测量场景灵活选择,确保在高频开关信号(如逆变器PWM波形)测量中仍能保持数据稳定性。
3.参数运算逻辑
基于采集的数字信号,仪器可实时运算有功功率(P)、无功功率(Q)、视在功率(S)、功率因数(cosφ)、相位角(φ) 等核心参数,在三相或六相系统中,还能自动计算总功率、平均电压及电流值。同步模式下,可单独提取基波(H01)相关参数,避免谐波成分对基波测量精度的影响。此外,仪器具备积分功能,可对有功功率、无功功率、电压及电流等参数进行时间积分运算,精准核算能耗;支持正/负向能量分离统计,满足储能系统、双向变流器等场景的测试需求。
FLUKE Norma5000核心技术参数(基于权威资料整理)
| 技术参数 | 具体规格 |
| 测量相数 | 1-6相(最多配置6个功率模块) |
| 电压测量范围 | 0.3V-1000Veff(峰值2kV) |
| 电流测量范围 | 直接输入:0.03mA-20Aeff(峰值40A);外部分流器/传感器扩展:支持更大量程 |
| 测量精度(基本误差) | PP64模块:±0.03%(0.02%rd+0.01%rg);PP50/54模块:±0.1%(0.05%rd+0.05%rg);PP42模块:±0.2%(0.1%rd+0.1%rg) |
| 带宽 | DC-3MHz(PP42/54/64模块);DC-10MHz(PP50模块) |
| 采样率 | 341kHz(PP42/54/64模块);1MHz(PP50模块) |
| 谐波分析能力 | 1-40次谐波,支持总谐波失真(THD)、谐波含量(HC)等参数计算 |
| 频率测量范围 | DC-采样率(0.2Hz-1MHz),测量精度±0.01%测量值 |
| 数据存储 | 板载4MBRAM(可扩展至128MB),支持采样值与平均值存储;15组用户配置存储 |
| 通信接口 | 标配RS232、USB;可选IEEE488.2(GPIB)、以太网(10/100Mbit/s) |
| 扩展功能 | 可选PI1处理接口(8路模拟/脉冲输入、4路模拟输出),支持扭矩、转速测量 |
| 显示屏 | 5.7英寸彩色LCD(320×240像素),支持背光与对比度调节 |
| 工作环境 | 温度:5-35℃;相对湿度:≤85%(非冷凝);海拔:≤2000m |
| 电源要求 | 85-264VAC(47-440Hz)或120-300VDC,功耗约65VA |
| 安全标准 | 符合EN61010-1(第2版)、IEC61326-1等标准,污染等级2,安全级别I类 |
FLUKE Norma5000关键功能与操作特性
1.多相同步测量与灵活配置FLUKE Norma5000支持1至6相的灵活测量配置,可适配单相、三相、六相系统测试,尤其适用于多模块协同工作的复杂场景(如双三相逆变器、多绕组变压器)。仪器支持15组用户自定义配置存储,可保存测量量程、滤波器设置、同步源选择、积分参数等关键配置,下次使用时直接调用,大幅提升测试效率。配置过程可通过front-panel薄膜键盘完成,也可通过NORMAViewPC软件远程操作,支持参数实时调整与数据同步。
2.全方位信号分析能力
仪器集成多种信号分析工具,满足复杂电力信号的深度解析需求:
谐波分析:可精准测量1-40次电压、电流及功率谐波,支持THD(总谐波失真)、HC(谐波含量)、FC(基波含量)等参数计算,符合IEC61000-4-7标准,适配变频器、LED驱动电源等非线性负载测试;
FFT分析:采用汉宁窗函数抑制频谱泄漏,支持线性/对数标度显示,可直观观察信号频谱分布,识别高频干扰成分;
矢量图显示:可同时显示6路信号的基波(H01)矢量关系,清晰呈现电压与电流的相位差,方便快速排查接线错误与相位失衡问题;
数字示波器(DSO)模式:同步显示3路信号波形,支持波形缩放、零点调整与光标测量,可直观观察信号畸变与瞬态波动;
记录仪功能:连续记录测量平均值,支持趋势分析,可捕捉长时间内的功率变化规律,适配稳定性测试场景。
3.软件支持与远程控制
仪器标配FLUKE NormaViewPC软件,支持数据下载、离线分析、报告生成等功能。通过软件可实现测量参数的可视化配置,生成谐波频谱图、功率趋势图等专业报告,支持数据导出为Excel、TXT格式,方便后续数据整理。此外,仪器支持VNC远程控制,可通过以太网实现异地操作与监控,配合IEEE488.2(GPIB)接口,可集成到自动化测试系统中,提升测试流程的自动化水平。
4.扩展功能与安全设计
可选配的PI1处理接口,可连接扭矩传感器、转速传感器等外部设备,实现电气参数与机械参数的同步测量,尤其适用于电机驱动系统测试,可直接计算电机效率、滑差等关键指标。安全设计方面,仪器采用实心金属外壳,满足严苛的EMC要求,辐射符合IEC61326-1、EN55011B类标准,抗扰性符合EN50082-1标准,可在工业现场复杂电磁环境中稳定工作;所有输入通道均配备过压、过流保护,避免因测试失误导致设备损坏。
FLUKE Norma5000典型应用场景
1.电动马达与逆变驱动系统测试在马达与逆变器研发中,Norma5000可同步测量六相电气参数与机械参数(扭矩、转速),精准计算开关损耗、谐波损耗及电机效率。其高带宽(最高10MHz)与高采样率(1MHz)可捕捉逆变器高频开关信号的瞬态变化,通过频谱分析评估谐波对电机性能的影响,为驱动系统优化提供数据支撑。
2.新能源汽车动力系统测试
适用于新能源汽车的电机控制器、车载充电器、双向DC-DC转换器等核心部件测试。仪器可同步测量输入输出功率、转换效率、谐波失真等参数,支持宽电压(0.3V-1000V)与宽频率(DC-1MHz)测量,适配车载设备的高频、高电压工作特性;PI1处理接口可连接车载传感器,实现电气与机械性能的一体化测试,助力提升整车续航与能效。 3.照明系统与开关电源测试
针对LED驱动电源、荧光灯镇流器等照明设备,仪器的高带宽与谐波分析能力可精准测量整流器输出信号的谐波成分,评估其对电网的污染;通过同步测量输入与输出功率,直接计算转换效率,为照明设备的能效优化提供依据。对于开关电源,其低功率测量精度可满足待机功耗测试需求,符合IEC62301等国际能效标准。
4.变压器与电力设备测试
可同步测量多相变压器的输入输出功率、线圈电阻、铁损与铜损,即使在低功率因数场景下仍能保持高精度测量。支持六相同时测量,适配多绕组变压器测试;积分功能可精准核算变压器在不同负载条件下的能耗,为电力设备的能效评估与选型提供数据支持。
小编极仪银飞总结FLUKE Norma5000高精度功率分析仪以六相同步测量、高带宽、超高精度为核心优势,整合了谐波分析、FFT变换、矢量图显示等多功能分析工具,适配电力电子领域的复杂测试需求。其灵活的配置存储、丰富的接口扩展与专业的软件支持,既满足实验室研发的精细化测量要求,也适配生产线的批量检测与现场运维的便捷操作。从电动马达、新能源汽车到照明系统、电力设备,Norma5000凭借稳定的性能与可靠的测量结果,成为工程师优化产品性能、提升能效水平的得力助手。随着电力电子技术的不断迭代,FLUKE Norma5000将持续在高端功率测量领域发挥核心作用,为行业技术创新与高质量发展提供坚实的测试保障。






