海康微影25系列热成像双光谱防爆筒机
防爆型双光谱筒机应用于防爆小场景仓库、生产车间的测温防火。热成像镜头为无钢网设计,具备最大90度大视场角,18公分乘以15公分的小体积,便于现场安装。前置工业级精度测温算法、烟火算法、叉车过滤算法。

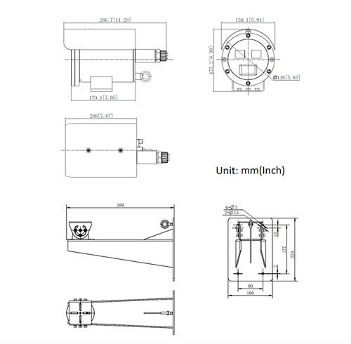
热成像双光谱防爆筒机结构

图片来源于HIKMICRO官网
深圳银飞电子有售热成像双光谱防爆筒机,文章来源于海康微影
热成像双光谱防爆筒机特点
●原始分辨率256×192,高灵敏度氧化钒非制冷探测器
●支持定时、温差和手动模式下快门校正,AGC模式可选择
●支持3D降噪功能,图像细节增强功能
●支持15种伪彩色可调节
●支持温度异常报警功能,设定预警/报警温度阈值,超温后报警
可见光功能:
●可见光原始分辨率2688×1520
●支持Smart图像增强
●深度学习智能功能:
●支持区域入侵侦测、越界侦测、进入区域侦测、离开区域侦测功能
●温度异常报警功能:
●最高温十字定位
●支持1条线测温10个框测温和10个点测温
●测温范围:一档-20℃~150℃,二档0℃~550℃
●测温精度:±2℃(或者量程的±2%)
●支持全屏温度获取,热图获取,原始测温数据获取,方便二次开发
系统功能:
●支持系统双备份功能,确保数据断电不丢失
●防爆标志:Exd IIC T6 Gb/Ex tD A21 IP66/IP68 T80℃
●环境温度:-40℃~60℃
●防护等级:IP68
●不锈钢材质构造,适合腐蚀性环境使用
●支持POE、AC220V直接供电

热成像双光谱防爆筒机结构
热成像双光谱防爆筒机应用推荐
热成像双光谱防爆筒机可应用于化工:生产装置测温管理 / 高空瞭望智能识别 / 周界入侵防范
热成像检测化工生产设备的表面温度,设置报警阈值,自动上传超温报警信号,避免巡检漏洞。热成像设备定点 安装在设备周围,减少工作人员前往现场巡视的频率,保障人身安全。 另一方面,热成像既可以实时对物料表面测温,也可以检测环境中的火点烟雾,可以大大降低基层人员巡检风 险,在原有视频监控基础上,多加了一道温度防范。

图片来源于HIKMICRO官网
防爆型双光谱筒机参数
| 探测器类型 | 非制冷型氧化钒探测器 |
| 最大图像尺寸 | 256×192 | 384×288 |
| 热成像镜头焦距 | 3mm | 7mm | 10mm | 15mm |
| 可见光分辨率 | 2688×1520,400万星光级 30米红外补光 |
| 防护等级 | IP68 |
| 防爆 | Ex d ⅡC T6 Gb/Ex tD A21 T80℃ IP68 |
| 外壳材质 | 316L不锈钢材 |




